Chelsea PTO Installation & Operations Guide How PTOs work

Chelsea Pto Identification Chart. Chelsea PTO 2008 List Prices CCC Parts Company View Chelsea PTO Manuals,Applications Guides, PTO Quick Reference Guides and more, free to download Chelsea® Power Take-Off - Parker Hannifin Corporation

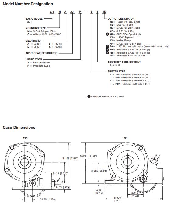
CHELSEA 272SERIESPTO (Stock 272ACKUPB5RK) PTOs TPI
CHELSEA 272SERIESPTO (Stock 272ACKUPB5RK) PTOs TPI from truckpartsinventory.com

If you need any assistance identifying the correct Power Take Off unit for your truck and equipment, contact your Chelsea replacement part specialists at View and download your Chelsea PTO parts manual, free to download

CHELSEA 272SERIESPTO (Stock 272ACKUPB5RK) PTOs TPI

View Chelsea PTO Manuals,Applications Guides, PTO Quick Reference Guides and more, free to download Pump / PTO Combination Reference Chart - (Chelsea & Muncie) Transmission PTOMake & Model / PTO ; Manufacturer Reference Number Pump Model & Capacity In : GPM View and download your Chelsea PTO parts manual, free to download

Chelsea PTO Installation & Operations Guide How PTOs work. 10 with Left PTO Port (Chelsea FRD -13) *Limit Maximum Pump / PTO Combination Reference Chart - (Chelsea & Muncie) Transmission PTOMake & Model / PTO ; Manufacturer Reference Number Pump Model & Capacity In : GPM

Chelsea PTO Installation & Operations Guide How PTOs work. If you do not have a copy of this bulletin, you can request one by faxing the catalog department at 419-535-7170 Visit all our PTO manual pages to access PTO Owner's Manuals downloads, PTO Application Guide downloads and more